测水涡轮流量计价格
厂家直销,售后无忧!测水涡轮流量计





易卖工控网(www.ymgk.com)提供”测水涡轮流量计价格”,产品详情:品牌/厂家:奥科、型号:AK-LWGY、成色:全新、货期:现货 1天内发货、保修:180天,更多产品详情就上易卖工控网。
测水涡轮流量计价格
江苏奥科仪表有限公司
T:0517-86919886/13915190011 柏经理
一、测水涡轮流量计原理:
AK-LWGY-1802型是吸取了国内外流量仪表先进技术经过优化设计,具有结构简单、轻巧、精度高、复现性好、反应灵敏,安装维护使用方便等特点的新一代涡轮流量计,若与具有特殊功能的显示仪表配套,还可以进行A定量控制、超量报警等,是流量计量和节能的理想仪表。 该类涡轮流量产品本身具备现场显示功能,也可将流量信号以脉冲的形式远传输出。仪表价格低廉,集成度高,体积小巧,特别适用于与二次显示仪、PLC、DCS等计算机控制系统配合使用。
二、测水涡轮流量计价格产品特点:
1.高准确度,一般可达±1%R、±0.5%R,高精度型可达±0.2%R;
2.重复性好,短期重复性可达0.05%~0.2%,正是由于具有良好的重复性,如经常校准或在线校准可得到极高的准确度,在贸易结算中是优先选用的流量计;
3.输出脉冲频率信号,适于总量计量及与计算机连接,无零点漂移,抗干扰能力强;
4.可获得很高的频率信号(3-4kHz),信号分辨力强;
5.范围度宽,中大口径可达1:20,小口径为1:10;
6。结构紧凑轻巧,安装维护方便,流通能力大;
7.适用高压测量,仪表表体上不必开孔,易制成高压型仪表;
8.用型传感器类型多,可根据用户特殊需要设计为各类专用型传感器,例如低温型、双向型、井下型、混砂专用型等;

三、测水涡轮流量计选型:
仪表口径(mm) | 正常流量范围(m3/h) | 扩展流量范围(m3/h) | 常规耐受压力(MPa) | 特制耐压等级(MPa)(法兰连接方式) |
DN 4 | 0.04~0.25 | 0.04~0.4 | 6.3 | 12、16、25 |
DN 6 | 0.1~0.6 | 0.06~0.6 | 6.3 | 12、16、25 |
DN 10 | 0.2~1.2 | 0.15~1.5 | 6.3 | 12、16、25 |
DN 15 | 0.6~6 | 0.4~8 | 6.3、2.5(法兰) | 4.0、6.3、12、16、25 |
DN 20 | 0.8~8 | 0.45~9 | 6.3、2.5(法兰) | 4.0、6.3、12、16、25 |
DN 25 | 1~10 | 0.5~10 | 6.3、2.5(法兰) | 4.0、6.3、12、16、25 |
DN 32 | 1.5~15 | 0.8~15 | 6.3、2.5(法兰) | 4.0、6.3、12、16、25 |
DN 40 | 2~20 | 1~20 | 6.3、2.5(法兰) | 4.0、6.3、12、16、25 |
DN 50 | 4~40 | 2~40 | 2.5 | 4.0、6.3、12、16、25 |
DN 65 | 7~70 | 4~70 | 2.5 | 4.0、6.3、12、16、25 |
DN 80 | 10~100 | 5~100 | 2.5 | 4.0、6.3、12、16、25 |
DN 100 | 20~200 | 10~200 | 2.5 | |
DN 125 | 25~250 | 13~250 | 1.6 | 2.5、4.0 |
DN 150 | 30~300 | 15~300 | 1.6 | 2.5、4.0 |
DN 200 | 80~800 | 40~800 | 1.6 | 2.5、4.0 |
四、测水涡轮流量计技术参数
执行标准 | 涡轮流量传感器(JB/T9246-1999) |
仪表口径(mm)及连接方式 | 4、6、10、15、20、25、32、40、50、65、80采用螺纹连接 |
精度等级 | ±1%R、±0.5%R、±0.2%R(需特制) |
量程比 | 1:10;1:15;1:20 |
传感器材质 | 304不锈钢、316(L)不锈钢等 |
使用条件 | 介质温度:-20℃~+120℃ 环境温度:-20℃~+60℃ |
信号输出功能 | 脉冲信号、4~20mA信号 |
通讯输出功能 | RS485通讯、HART协议等 |
工作电源 |
|
信号线接口 | 基本型:豪斯曼接头或自带三芯线缆;防爆型:内螺纹M20*1.5 |
防爆等级 | ExiaIICT4或ExdIIBT6 |
防护等级 | IP65或更高(可订制) |
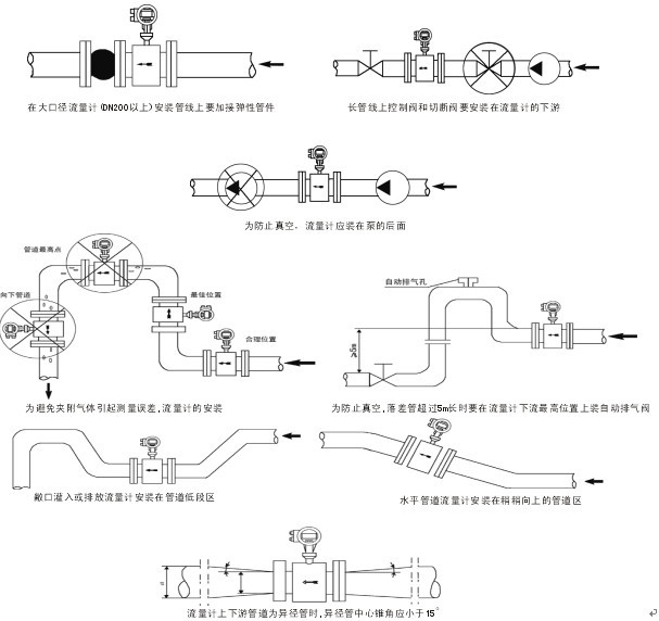
五、测水涡轮流量计安装图示及现场标定图:

发布询价成功