安科瑞AKH-0.66/K P-120*60 300/5(1)A开口式保护型电流互感器
联系方式:18721095851/021-69153832
联系方式:18721095851/021-69153832
易卖工控网(www.ymgk.com)提供”安科瑞AKH-0.66/K P-120*60 300/5(1)A开口式保护型电流互感器”,产品详情:品牌/厂家:安科瑞、型号:AKH-0.66/KP-120*60300/5、成色:全新、货期:期货 2天内发货、保修:730天,更多产品详情就上易卖工控网。

安科瑞电气股份有限公司 股票代码[300286]
技术/销售:周颖
联系方式:18721095851/021-69153832
厂家直销,保证现货,质保2年(16%增值税发票)
1 AKH-0.66/K开口式电流互感器
1.1 产品特点
AKH-0.66K系列开口式电流互感器主要应用于工业中城网、农网改造项目,安装方便,无须拆一次母线,亦可带电操作,不影响客户正常用电,为用户改造项目节省人力、物力、财力,提高效率。该系列电流互感器可与继电器保护、测量以及计量装置配套使用。
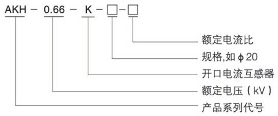
1.2 型号说明
1.3 规格尺寸(mm)
1.4 规格参数对照表


2 AKH-0.66K-Φ开口电流互感器
2.1 产品特点
专利产品,外形美观,安装,接线方便。专用于通讯机房100A及以下配电系统改造,可与AMC16多回路监控仪表配合使用。
2.2 型号说明
2.3 规格尺寸(mm)
2.4 规格参数对照表