安科瑞ALW-100W铝合金加热器 配套温湿度一起使用 经济型
联系方式: 18721095851/021-69153832
联系方式: 18721095851/021-69153832
易卖工控网(www.ymgk.com)提供”安科瑞ALW-100W铝合金加热器 配套温湿度一起使用 经济型”,产品详情:品牌/厂家:安科瑞、型号:ALW-100W、成色:全新、货期:期货 2天内发货、保修:730天,更多产品详情就上易卖工控网。

安科瑞电气股份有限公司 股票代码[300286]
技术/销售:周颖
联系方式: 18721095851/021-69153832
厂家直销,保证现货,质保2年(17%增值税发票)
1、加热器
1.1 概述
ALW系列加热器使用专用的铝合金散热板型材和推荐的镍铬合金电热丝制造而成,具有体积小、外形美观、散热均匀、热传导快、散热面积大、寿命长等优点,产品符合GB/T15470-1995。
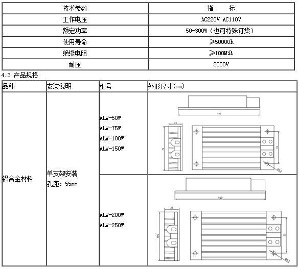
1.2 技术指标
1.4 选型建议
铝合金材料散热面积大、效率高,适合完全自动控制加热或去湿,选型建议如下: