



易卖工控网(www.ymgk.com)提供”油田专用智能数字数显压力变送器,厂家直销安森ANCN ACD-102”,产品详情:品牌/厂家:安森、型号:ACD-102、成色:全新、货期:期货 7天内发货、保修:365天,更多产品详情就上易卖工控网。
数字压力变送器(备用电池)ACD-102

一、数字压力变送器产品概况
ACD-102压力变送器是我公司结合数字压力变送器技术特点,增加内置电池,使变送器在无外电的情况下,依然可以进行压力检测,变送器不但具有变送器的(4~20)mA模拟信号输出功能,还可选RS485数字通讯功能;更具有压力变送器少有的五位液晶背光显示。
二、数字压力变送器产品应用
适合野外或恶劣环替代进口的压力变送器;
境下全天候采集或通讯;
油井、气井的压力监测和远传;
适合大面积的压力参数组网采集;
满足腐蚀性、冲击性、震动性等场所压力采集需求;
三、数字压力变送器产品特点
Ⅰ、11种单位显示,自由选择;
Ⅱ、内置电池,外电自动切换;
Ⅲ、可选RS485通讯、(4~20)mA信号、脉冲输出,自由选择;
Ⅳ、五位动态液晶数字显示,且带背光显示,方便夜间读取;
Ⅴ、永不掉线通讯技术,总线支持255台RS485子设备;
Ⅵ、信号隔离技术,电磁、电频抗干扰技术;
Ⅶ、零点自稳技术,温度自动补偿技术;
四、数字压力变送器技术数据
1.显示单位:Pa(帕斯卡)、kPa(千帕)、MPa(兆帕)、psi(磅)、bar(巴)、mbar(巴)、kgf/cm2(公斤力/立方厘米)、inH2O(英寸水柱)、mmH2O(毫米水柱)、in Hg(英寸汞柱)、mmHg(毫米汞柱)
2.测量范围
表压:-0.1MPa~0MPa~...~260MPa
差压:0~500Pa~...~3.5MPa
绝压:0~0.035MPa~...~60MPa
3.准确度等级0.1级 、0.2级、0.5级
4.稳定性能优于0.2%FS/年;
5.输出信号:(4~20)mA输出(24VDC两线制)(5~30)Hz脉冲输出(5VDC三线制)
6.通讯方式:RS485(同时兼容modbusRTU和安森自由协议)
7.供电方式内电:3.6V工业锂电池外电:ACD-102C:(10~30)V直流ACD-102D:5V直流
8.采集速度内电:(1~20)秒/次,时间可自主设置外电: 0.25秒/次
9.工作环境环境温度:(-30~70)℃相对湿度:<90%大气压力:(86~106)kPa
其他: ***校正参比环境温度:20℃±2℃
10.测量介质温度情况常规(-40~120)℃,宽温(-60~150)℃
11.显示方式五位数字背光显示+百分比棒形图
12.防护等级IP65
13.防爆等级ExdIIBT6 Gb
14.过载压力量程的(1.5~3)倍,视测量范围而定
15.软件配置:AncnView-T智能仪表检测软件(带RS485通讯):实时显示仪表数据,自动记录,自动绘制压力曲线,可导出至Excel表格,读取、打印、保存。
16.过程连接公制:M20×1.5、M14×1.5、M14×1等英/美标:G1/2、G3/4、G1/8、G3/8、NPT 1/2、NPT 1/4、NPT 1/8等
17.安装方式:①径向 ②分体式 ③投入式
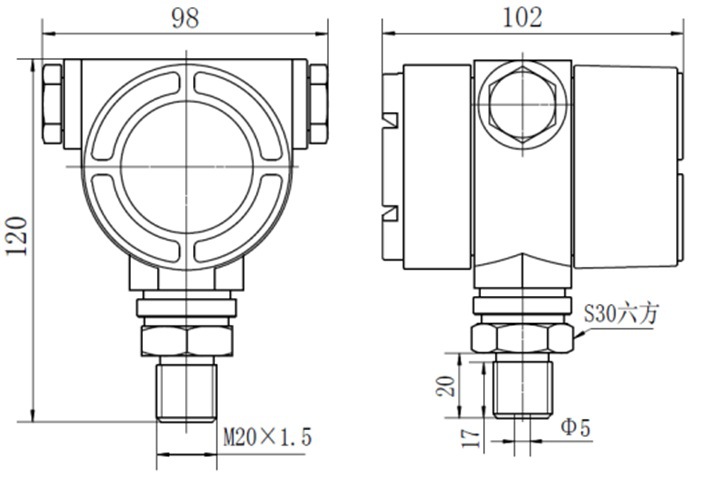
18.外形尺寸:(单位:mm)

五、数字压力变送器产品选型




发布询价成功