

易卖工控网(www.ymgk.com)提供”卫生型压力变送器(备用电池)ACD-102”,产品详情:品牌/厂家:安森、型号:ACD-102卫生型、成色:全新、货期:期货 7天内发货、保修:365天,更多产品详情就上易卖工控网。
卫生型压力变送器(备用电池)ACD-102
一、产品概述
ACD-102压力变送器是一款专门为食品制药行业应用全新设计的卫生型压力仪表,仪表与过程介质接触部分全采用推荐316L不锈钢及陶瓷材质结构,安装方式采用符合卫生标准的卡箍、快速便利接头等国际标准的过程连接安装接口,非常适合CIP/SIP原位清洗灭菌及外部喷水清洗操作,解决了结垢,堵塞,清洁卫生等问题,具有在工艺现场装拆快捷方便、不易污染、容易清洗、安全可靠的安全等优点。
ACD-102压力变送器是我公司结合数字压力变送器技术特点,增加内置电池,使变送器在无外电的情况下,依然可以进行压力检测,变送器不但具有变送器的(4~20)mA模拟信号输出功能,还可选RS485数字通讯功能;更具有压力变送器少有的五位液晶背光显示。
二、产品应用
医药及生物品加工
乳制品和饮料加工
食品加工
饮用水处理及加工
三、产品特点
介质接触部分采用316L不锈钢及陶瓷结构
国际标准的快速安装接口,拆装快捷方便
平面式设计,防堵塞、防结垢,易清洗、无污染
11种单位显示,自由选择;
内置电池,外电自动切换;
可选RS485通讯、(4~20)mA信号、脉冲输出,自由选择;
五位动态液晶数字显示,且带背光显示,方便夜间读取;
永不掉线通讯技术,总线支持255台RS485子设备;
信号隔离技术,电磁、电频抗干扰技术;
零点自稳技术,温度自动补偿技术;
四、技术数据
1.显示单位:
Pa(帕斯卡)、kPa(千帕)、MPa(兆帕)、psi(磅)、bar(巴)、mbar(巴)、kgf/cm2(公斤力/立方厘米)、inH2O(英寸水柱)、mmH2O(毫米水柱)、in Hg(英寸汞柱)、mmHg(毫米汞柱)
2.测量范围
表压:-0.1MPa~0MPa~...~7MPa
绝压:0~0.035MPa~...~6MPa
3.准确度等级 0.1级 、0.2级、0.5级
4.稳定性能 优于0.2%FS/年;
5.输出信号:(4~20)mA输出(24VDC两线制)(5~30)Hz脉冲输出(5VDC三线制)
6.通讯方式:RS485(同时兼容modbusRTU和安森自由协议)
7.供电方式 内电:3.6V工业锂电池
外电:ACD-102C:(10~30)V直流
ACD-102D:5V直流
8.采集速度
内电:(1~20)秒/次,时间可自主设置
外电: 0.25秒/次
9.工作环境 环境温度:(-30~70)℃
相对湿度:<90%
大气压力:(86~106)kPa
其他: ***校正参比环境温度:20℃±2℃
10.测量介质温度情况 常规(-40~120)℃,
11.显示方式 五位数字背光显示+百分比棒形图
12.防护等级 IP65
13.防爆等级 ExdIIBT6 Gb
14.过载压力 量程的(1.5~3)倍,视测量范围而定
15.软件配置:
AncnView-T智能仪表检测软件(带RS485通讯):实时显示仪表数据,自动记录,自动绘制压力曲线,可导出至Excel表格,读取、打印、保存。
15.过程连接 卡箍、快速卡盘、定制接口
20.安装方式:
①径向 ②分体式
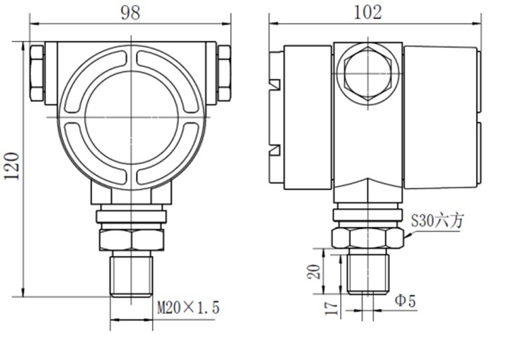
21.外形尺寸:(单位:mm)

五、选型资料


发布询价成功