



易卖工控网(www.ymgk.com)提供”自锁过载保护高效灵敏节能稳定液压品质厂家直销DYTP电液推杆”,产品详情:品牌/厂家:迪萨、型号:DYTP、成色:全新、货期:期货 7天内发货、保修:365天,更多产品详情就上易卖工控网。


介绍
1、结构
分离式电液推杆是一种新型的推杆形式,它主要是由电液动浆液阀、密封件、驱动装置、电气控制系统等部
件构成的,其中电液动浆液阀有对夹式和整体式之分,而不同的结构形式对应的密封结构也是不同的。
2、特点
分离式电液推杆不仅体积小、重量轻,它在流阻、安装等方面也存在优势;而且设备同时具备了手动和电液
动的操作方式,可以满足各种场合下的运行需要。由于装置中配置了行程开关控制、位置显示仪控制等电气
控制装置,因此实现了机、电、液、仪一体化等多功能。
3、应用
分离式电液推杆有很强的适应能力,因此在很多行业中都可以运用,包括采矿、钢铁、净化、造纸、制糖、
食品、电站等。
| | | | | | |
| | | ||||

DYTP型平行式电液推杆技术参数(选型表)
注:
1、上列表中所列电机的电压等级为380V,防护等级为IP44,绝缘等级为B级。
2、超出表中所列行程制造范围或速度制造范围的,另行注明,否则按表内技术参数制造。
3、表中速度范围为水平使用时的范围,向上或向下使用的速度均为水平使用的二分之一。
4、表中所列的电机型号及功率,指该型号推杆在额定输出力、额定速度为***时的功率。电机功率与推杆推力、速度成正比。

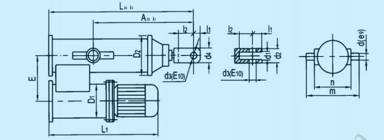
DYTP型平行式电液推杆外形尺寸及安装尺寸
注:表中S为推杆行程





一、用户在订货时,必须注明推杆的型号、电机防护等级、推(拉)力、行程、速度和使用角度六个基本参数,
缺一不可,如有特殊要求也请说明。
二、本产品在满足使用的前提下,如有不影响使用的变动,恕本厂不再另行通知。
三、推杆的电气控制部分, 均由需方自行配备(如有需要, 也可配套供应)。 样本中所列简单的控制图,仅
供参考。
四、关于安装、使用、维修的注意事项,敬请参阅《电液推杆安装、使用、维修》说明书(随货同行)。
五、产品发出6个月内,确系我厂制造问题,我厂实行三包,并供应配件。
发布询价成功