



易卖工控网(www.ymgk.com)提供”自动复位过欠压延时保护器 NMGQ-63A/2P 上海能曼电气 厂家现货 品质保障”,产品详情:品牌/厂家:能曼电气、型号:NMGQ-63A/2P、成色:全新、货期:期货 7天内发货、保修:730天,更多产品详情就上易卖工控网。

此为63A/2P(1P+N)价格,1P、2P(配C65尺寸)、3P+N价格请电话联系或QQ详询!
众所周知,TN-S、TN-C-S及IT系统的低压配电柜系统中,由于中性线断线、电气设备或线路发生单相接地故障、三相负载严重不平衡等现象均可导致低压电网中性线电位偏移,中性线电位偏移过大将会烧毁单相用电设备引起火灾,甚至会危及人身安全,目前在建筑电气和农村的照明供电中,经常发生由于中性线断线、相线与中性线接反和三相负载严重不平衡引起的单相供电过电压或欠电压情况,导致家用电器如电脑、网络设备、冰箱、空调、电视机等烧坏,使用户遭受较大经济损失。
随着我国工业发展,各种自动化、数字化的***家用电器进入普通百姓家庭,因此对电网的供电质量要求越来越高,不是以前主要以电灯照明为主关心停电时间,而对电网的电压范围、频率甚至谐波都提出了较高要求。2012年4月1日实施的《住宅建筑电气设计规范》JGJ242-20116.3.2规定:每套住宅应设置自恢复式过、欠电压保护器。
一、产品优势(Product advantages)
♦功耗低、负载能力强;
♦安全可靠、使用寿命长;
♦自动恢复式接通线路、无需人工操作;
♦线路出现瞬态或暂态过电压时、不产生误动作;
♦线路接点不实等电压不稳或突然断电又突然来电时不接通线路;
♦线路故障电压为最高时、保护器自身不会被损坏;
♦呈反时限动作特性,动作时间≤1S;
♦电压保护范围:0~290V;
♦耐受冲击电压:4KV;
♦具有工作状态指示,绿色:正常电压,红色:过欠电压或延时;
♦符合III类电器的安全标准;
♦外形模数化设计,导轨式,安装方便
二、适用范围(Scope)
NMGQ系列自动复位过欠压延时保护器,适用于单相交流电压220V,频率50Hz,额定工作电流63A及
以下的用户或负载。主要用于民用住宅配电箱进线或需要保护单相用电设备的回路中,作为由中性线故障引起
的相线路过欠电压时,能保持高压冲击下迅速,安全地切断电路,避免异常电压送入撞断电器设备造成事故
的发生,当电压恢复正常值时,将在5分钟自动接通电路。开关造型美观,新颖简洁、体积小、功能全、
功耗低、负载能力强、安全可靠、寿命长。
三、符合标准(Standards compliant)
GB01048.5-2008《低压开关设备和控制设备》
四、工作条件(Working conditions)
♦环境温度:-5℃~+40℃;
♦相对温度:在最高温度+40℃时,空气的相对温度不超过50%,温度为25℃时,不大于95%;
♦海拔高度不超过2000m;
♦适用于污染等级为2及以下的环境,即一般情况下公有非导电性的污染,但可以预期偶然由于凝露造成的短暂的导电性污染。
五、产品选型(Product Selection)
六、性能参数(Performance parameters)
七、外形与安装(Outline and Installation)
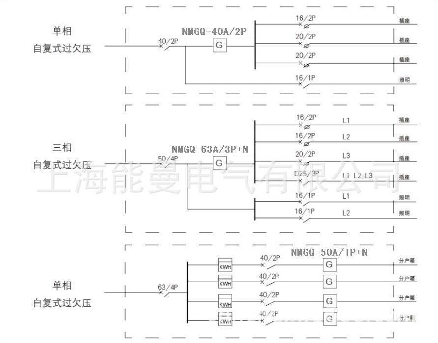
八、设计案例(Design case)
九、注意事项(Precautions)
♦ 3P+N或者4P的保护器为三相四线,零线必须安装;
♦保护器N为零线,L为火线,不得接错;
♦保护器***次通电时需延时30±10秒后给负载正常供电。

上海能曼电气有限公司坐落于世界的经济中心上海市,本公司是在原有公司的基础上重新兼并创立的,公司现有几家专业生产制造公司和研究中心,有60多家国内外分销商和特约经销网点,公司建立了完善的技术支持,基地分布江浙沪等地。誓在发展成为中国工业电气制造业的领 袖 品 牌,也正以坚实的步伐迈入世界装备制造业强者之林。
上海能曼电气专业研发生产制造:EPS消防应急电源、UPS不间断电源、双电源转换开关、控制与保护开关NMCPS/NMKB0、软启动器、各种电抗器、EPS变压器、变频器、剩余电流式电气火灾监控探测器、隔离开关、万 能断路器、小型断路器等电源设备和低压成套电气原件,公司力在把公司产品做精做强,通过领先于全国同行业的高新技术不断地创新和完善公司产品,公司许多产品已经成为中国许多公司和机构指定信任的供应产品!
创造,是制造业的根本使命;创造力,本是制造业的核心竞争力。公司将进一步致力于“聚焦国家战略,推进高新技术产业化,大力发展低碳经济”,加大在新能源产业领域的投资,重点发展高效清洁能源、新能源、工业装备和现代服务业四大产业,通过技术进步、国际化运作能力来提高集团整体的竞争力。上海能曼电气通过技术进步,不断提高管理水平,为中国和世界提供更高效、更绿色的能源和安全的工业电气装备,把上海能曼电气建设成为现代化、国际化的中国工业电气的佼佼者。
上海能曼电气正在成为一个主业突出、优势明显,高品质产品的工业电气的领先者,客户是使用装备的创造者,员工是公司发展的创造者,社会是市场环境的创造者,让我们与五湖四海的创造者携手并进,用上海能曼电气的一流的产品和服务共创双赢的未来!

发布询价成功